
Standard - ANSI/ASME :ASTM A403 / ASME SA403, ANSI B16.9, ASME B16.25, ASME B16.28, MSS SP-43.
DIN : DIN2605, DIN2615, DIN2616, DIN2617, DIN28011
EN : EN10253-1, EN10253-2
Schedule : SCH20, SCH30, SCH40, STD, SCH80, XS, SCH60, SCH80, SCH120, SCH140, SCH160, XXS
Type : Seamless / ERW / Welded / Fabricated
Size: 1/2” TO 36”
Form: Reducing Nipple
Stainless Steel Reducing Nipple : ASTM A403 WP316/316L, ASTM A403 WP304/304L, ASTM A182 F316L, 304L, DIN 1.4301, DIN1.4306, DIN 1.4401, DIN 1.4404, 304H, 309, 310, 316, 316L, 317L, 321, 347, 904L
Carbon Steel Reducing Nipple : ASTM A234, ASME SA234 WPB , WPBW, WPHY 42, WPHY 46, WPHY 52, WPH 60, WPHY 65 & WPHY 70.
Alloy Steel Reducing Nipple : ASTM A234, ASME SA234 WP1 / WP5 / WP9 / WP11 / WP22 / WP91
Duplex Steel Reducing Nipple : ASTM A815, ASME SA815 UNS No S31803, S32205
Super Duplex Reducing Nipple : ASTM A815, ASME SA815 UNS No S32750, S32950
Nickel Alloy Reducing Nipple : ASTM B336, ASME SB336, Nickel 200 (UNS No. No2200), Nickel 201 (UNS No. N02201), Monel 400 (UNS No. N04400), Monel 500 (UNS No. N05500), Inconel 800 (UNS No. N08800), Inconel 825 (UNS No. N08825), Inconel 600 (UNS No. N06600), Inconel 625 (UNS No. N06625), Inconel 601 (UNS No. N06601), Hastelloy C 276 (UNS No. N10276), Alloy 20 (UNS No. N08020), Titanium (Grade I & II), Cupro-Nickel 70/30, CuNi10Fe1Mn, CuNi30Mn1Fe.
Low Temperature Carbon Steel Reducing Nipple : ASTM A420 WPL3, A420 WPL6

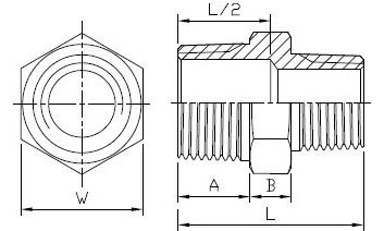
| SIZE | A | B | L | W | |||||
| mm | in | mm | in | mm | in | mm | in | ||
| 1/4" | 1/8" | 13 | 0.51 | 6 | 0.24 | 31 | 1.22 | 15.1 | 0.59 |
| 3/8" | 1/8" | 14 | 0.55 | 7 | 0.28 | 34 | 1.34 | 18.6 | 0.73 |
| 1/4" | 14 | 0.55 | 7 | 0.28 | 34 | 1.34 | 18.6 | 0.73 | |
| 1/2" | 1/8" | 16.5 | 0.65 | 8 | 0.31 | 36.5 | 1.44 | 23 | 0.91 |
| 1/4" | 16.5 | 0.65 | 8 | 0.31 | 36.5 | 1.44 | 23 | 0.91 | |
| 3/8" | 16.5 | 0.65 | 8 | 0.31 | 36.5 | 1.44 | 23 | 0.91 | |
| 3/4" | 1/8" | 16 | 0.63 | 8 | 0.31 | 40 | 1.57 | 29 | 1.14 |
| 1/4" | 16 | 0.63 | 8 | 0.31 | 40 | 1.57 | 29 | 1.14 | |
| 3/8" | 17 | 0.67 | 8 | 0.31 | 41 | 1.61 | 28.5 | 1.12 | |
| 1/2" | 17 | 0.67 | 8 | 0.31 | 41.5 | 1.63 | 28.5 | 1.12 | |
| 1" | 1/4" | 20 | 0.79 | 9 | 0.35 | 41 | 1.61 | 35.4 | 1.39 |
| 3/8" | 20 | 0.79 | 9 | 0.35 | 42.5 | 1.67 | 35.4 | 1.39 | |
| 1/2" | 20 | 0.79 | 9 | 0.35 | 45 | 1.77 | 35.4 | 1.39 | |
| 3/4" | 20 | 0.79 | 9 | 0.35 | 45 | 1.77 | 35.4 | 1.39 | |
| 1-1/4" | 1/4" | 21 | 0.83 | 10 | 0.39 | 42 | 1.65 | 44.5 | 1.75 |
| 3/8" | 21 | 0.83 | 10 | 0.39 | 47 | 1.85 | 44.5 | 1.75 | |
| 1/2" | 21 | 0.83 | 10 | 0.39 | 49 | 1.93 | 44.5 | 1.75 | |
| 3/4" | 21 | 0.83 | 10 | 0.39 | 49 | 1.93 | 44.5 | 1.75 | |
| 1" | 22 | 0.87 | 10 | 0.39 | 52 | 2.05 | 44.5 | 1.75 | |
| 1-1/2" | 1/4" | 20 | 0.79 | 10.5 | 0.41 | 42.5 | 1.65 | 51 | 2.01 |
| 3/8" | 21 | 0.83 | 10 | 0.39 | 47 | 1.85 | 50 | 1.97 | |
| 1/2" | 21 | 0.83 | 10 | 0.39 | 49 | 1.93 | 50 | 1.97 | |
| 3/4" | 21 | 0.83 | 10 | 0.39 | 49 | 1.93 | 50 | 1.97 | |
| 1" | 21.5 | 0.85 | 11 | 0.39 | 52.5 | 2.07 | 50 | 1.97 | |
| 1-1/4" | 22 | 0.87 | 11 | 0.43 | 55 | 2.17 | 51 | 2.01 | |
| 2" | 3/8" | 23 | 0.91 | 11 | 0.43 | 52 | 2.05 | 61.5 | 2.42 |
| 1/2" | 23 | 0.91 | 11 | 0.43 | 52 | 2.05 | 61.5 | 2.42 | |
| 3/4" | 23 | 0.91 | 11 | 0.43 | 41.5 | 1.63 | 61.5 | 2.42 | |
| 1" | 23 | 0.91 | 11 | 0.43 | 53.5 | 2.11 | 61.5 | 2.42 | |
| 1-1/4" | 23 | 0.91 | 11 | 0.43 | 56 | 2.2 | 61.5 | 2.42 | |
| 1-1/2" | 23 | 0.91 | 11 | 0.43 | 55.5 | 2.19 | 61.5 | 2.42 | |
| 2-1/2" | 3/4" | 27.5 | 1.08 | 13 | 0.51 | 64 | 2.52 | 78 | 3.07 |
| 1" | 27.5 | 1.08 | 13 | 0.51 | 63.5 | 2.5 | 78 | 3.07 | |
| 1-1/4" | 27.5 | 1.08 | 13 | 0.51 | 63.5 | 2.5 | 78 | 3.07 | |
| 1-1/2" | 27.5 | 1.08 | 13 | 0.51 | 63.5 | 2.5 | 78 | 3.07 | |
| 2" | 27.5 | 1.08 | 13 | 0.51 | 65.5 | 2.58 | 78 | 3.07 | |
| 3" | 1-1/2" | 28 | 1.1 | 15 | 0.59 | 68 | 2.68 | 92 | 3.62 |
| 2" | 28 | 1.1 | 15 | 0.59 | 68.5 | 2.7 | 93 | 3.66 | |
| 2-1/2" | 28.5 | 1.12 | 15 | 0.59 | 71 | 2.8 | 92 | 3.62 | |
| 4" | 2" | 30 | 1.18 | 15 | 0.59 | 75 | 2.95 | 117 | 4.61 |
| 2-1/2" | 30 | 1.18 | 15 | 0.59 | 75 | 2.95 | 117 | 4.61 | |
| 3" | 30 | 1.18 | 15 | 0.59 | 75 | 2.95 | 117 | 4.61 | |
| SIZE | A | B | L | W | |||||
| mm | in | mm | in | mm | in | mm | in | ||
| 1/4" | 1/8" | 11 | 0.43 | 6 | 0.24 | 29 | 1.14 | 15 | 0.59 |
| 3/8" | 1/8" | 12 | 0.47 | 7 | 0.28 | 31 | 1.22 | 18 | 0.71 |
| 1/4" | 12 | 0.47 | 7 | 0.28 | 32 | 1.26 | 18 | 0.71 | |
| 1/2" | 1/8" | 14 | 0.55 | 7 | 0.28 | 34 | 1.34 | 23 | 0.91 |
| 1/4" | 14 | 0.55 | 7 | 0.28 | 35 | 1.38 | 23 | 0.91 | |
| 3/8" | 14 | 0.55 | 7 | 0.28 | 36 | 1.42 | 23 | 0.91 | |
| 3/4" | 1/8" | 14 | 0.55 | 7 | 0.28 | 34 | 1.34 | 29 | 1.14 |
| 1/4" | 14 | 0.55 | 7 | 0.28 | 35 | 1.38 | 29 | 1.14 | |
| 3/8" | 14 | 0.55 | 7 | 0.28 | 36 | 1.42 | 29 | 1.14 | |
| 1/2" | 14 | 0.55 | 7 | 0.28 | 39 | 1.54 | 29 | 1.14 | |
| 1" | 1/4" | 17.5 | 0.69 | 9 | 0.35 | 41 | 1.61 | 35 | 1.38 |
| 3/8" | 17.5 | 0.69 | 9 | 0.35 | 42 | 1.65 | 35 | 1.38 | |
| 1/2" | 17.5 | 0.69 | 9 | 0.35 | 45 | 1.77 | 35 | 1.38 | |
| 3/4" | 17.5 | 0.69 | 9 | 0.35 | 45 | 1.77 | 35 | 1.38 | |
| 1-1/4" | 1/4" | 18 | 0.71 | 10 | 0.39 | 42 | 1.65 | 45 | 1.77 |
| 3/8" | 18 | 0.71 | 10 | 0.39 | 43 | 1.69 | 45 | 1.77 | |
| 1/2" | 18 | 0.71 | 10 | 0.39 | 46 | 1.81 | 45 | 1.77 | |
| 3/4" | 18 | 0.71 | 10 | 0.39 | 46 | 1.81 | 45 | 1.77 | |
| 1" | 18 | 0.71 | 10 | 0.39 | 50 | 1.97 | 45 | 1.77 | |
| 1-1/2" | 1/4" | 18.5 | 0.73 | 10.5 | 0.41 | 42.5 | 1.67 | 50 | 1.97 |
| 3/8" | 18.5 | 0.73 | 10.5 | 0.41 | 43.5 | 1.71 | 50 | 1.97 | |
| 1/2" | 18.5 | 0.73 | 10.5 | 0.41 | 46.5 | 1.83 | 50 | 1.97 | |
| 3/4" | 18.5 | 0.73 | 10.5 | 0.41 | 46.5 | 1.83 | 50 | 1.97 | |
| 1" | 18.5 | 0.73 | 10.5 | 0.41 | 50.5 | 1.99 | 50 | 1.97 | |
| 1-1/4" | 18.5 | 0.73 | 10.5 | 0.41 | 50.5 | 1.99 | 50 | 1.97 | |
| 2" | 3/8" | 20 | 0.79 | 11 | 0.43 | 45 | 1.77 | 62 | 2.44 |
| 1/2" | 20 | 0.79 | 11 | 0.43 | 48 | 1.89 | 62 | 2.44 | |
| 3/4" | 20 | 0.79 | 11 | 0.43 | 48 | 1.89 | 62 | 2.44 | |
| 1" | 20 | 0.79 | 11 | 0.43 | 52 | 2.05 | 62 | 2.44 | |
| 1-1/4" | 20 | 0.79 | 11 | 0.43 | 52 | 2.05 | 62 | 2.44 | |
| 1-1/2" | 20 | 0.79 | 11 | 0.43 | 52 | 2.05 | 62 | 2.44 | |
| 2-1/2" | 3/4" | 22.5 | 0.89 | 13 | 0.51 | 52.5 | 2.07 | 78 | 3.07 |
| 1" | 22.5 | 0.89 | 13 | 0.51 | 56.5 | 2.22 | 78 | 3.07 | |
| 1-1/4" | 22.5 | 0.89 | 13 | 0.51 | 56.5 | 2.22 | 78 | 3.07 | |
| 1-1/2" | 22.5 | 0.89 | 13 | 0.51 | 56.5 | 2.22 | 78 | 3.07 | |
| 2" | 22.5 | 0.89 | 13 | 0.51 | 57.5 | 2.26 | 78 | 3.07 | |
| 3" | 1-1/2" | 25 | 0.98 | 15 | 0.59 | 61 | 2.4 | 91 | 3.58 |
| 2" | 25 | 0.98 | 15 | 0.59 | 62 | 2.44 | 91 | 3.58 | |
| 2-1/2" | 25 | 0.98 | 15 | 0.59 | 64.5 | 2.54 | 91 | 3.58 | |
| 4" | 2" | 27 | 1.06 | 15 | 0.59 | 64 | 2.52 | 117 | 4.61 |
| 2-1/2" | 27 | 1.06 | 15 | 0.59 | 66.5 | 2.62 | 117 | 4.61 | |
| 3" | 27 | 1.06 | 15 | 0.59 | 69 | 2.72 | 117 | 4.61 | |