
Standard - ANSI/ASME :ASTM A403 / ASME SA403, ANSI B16.9, ASME B16.25, ASME B16.28, MSS SP-43.
DIN : DIN2605, DIN2615, DIN2616, DIN2617, DIN28011
EN : EN10253-1, EN10253-2
Schedule : SCH20, SCH30, SCH40, STD, SCH80, XS, SCH60, SCH80, SCH120, SCH140, SCH160, XXS
Type : Seamless / ERW / Welded / Fabricated
Seamless Pipe Lap Joint Stub End Size: 1/2"~24"
ERW / Welded / Fabricated Lap Joint Stub End Size: 1/2" (15 NB) to 48" (1200NB)
Form: Lap Joint Pipe Stub End, Fitting Lap Joint Stub End
Stainless Steel Lap Joint Stub End : ASTM A403 WP316/316L, ASTM A403 WP304/304L, ASTM A182 F316L, 304L, DIN 1.4301, DIN1.4306, DIN 1.4401, DIN 1.4404, 304H, 309, 310, 316, 316L, 317L, 321, 347, 904L
Carbon Steel Lap Joint Stub End : ASTM A234, ASME SA234 WPB , WPBW, WPHY 42, WPHY 46, WPHY 52, WPH 60, WPHY 65 & WPHY 70.
Alloy Steel Lap Joint Stub End : ASTM A234, ASME SA234 WP1 / WP5 / WP9 / WP11 / WP22 / WP91
Duplex Steel Lap Joint Stub End : ASTM A815, ASME SA815 UNS No S31803, S32205
Super Duplex Lap Joint Stub End : ASTM A815, ASME SA815 UNS No S32750, S32950
Nickel Alloy Lap Joint Stub End : ASTM B336, ASME SB336, Nickel 200 (UNS No. No2200), Nickel 201 (UNS No. N02201), Monel 400 (UNS No. N04400), Monel 500 (UNS No. N05500), Inconel 800 (UNS No. N08800), Inconel 825 (UNS No. N08825), Inconel 600 (UNS No. N06600), Inconel 625 (UNS No. N06625), Inconel 601 (UNS No. N06601), Hastelloy C 276 (UNS No. N10276), Alloy 20 (UNS No. N08020), Titanium (Grade I & II), Cupro-Nickel 70/30, CuNi10Fe1Mn, CuNi30Mn1Fe.
Low Temperature Carbon Steel Stub End Lap Joint : ASTM A420 WPL3, A420 WPL6

| Nominal Pipe Size
(NPS) |
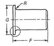
Outside Diameter at Bevel | Long Pattern | Short Pattern | Radius of Fillet | Diameter of Lap | |
| Max | Min | F | F | R | G | |
| 1/2 | 22.8 | 20.5 | 76 | 51 | 3 | 35 |
| 3/4 | 28.1 | 25.9 | 76 | 51 | 3 | 43 |
| 1 | 35.0 | 32.6 | 102 | 51 | 3 | 51 |
| 1-1/4 | 43.6 | 41.4 | 102 | 51 | 5 | 64 |
| 1-1/2 | 49.9 | 47.5 | 102 | 51 | 6 | 73 |
| 2 | 62.4 | 59.5 | 152 | 64 | 8 | 92 |
| 2-1/2 | 75.3 | 72.2 | 152 | 64 | 8 | 105 |
| 3 | 91.3 | 88.1 | 152 | 64 | 10 | 127 |
| 3-1/2 | 104.0 | 100.8 | 152 | 76 | 10 | 140 |
| 4 | 116.7 | 113.5 | 152 | 76 | 11 | 157 |
| 5 | 144.3 | 140.5 | 203 | 76 | 11 | 186 |
| 6 | 171.3 | 167.5 | 203 | 89 | 13 | 216 |
| 8 | 222.1 | 218.3 | 203 | 102 | 13 | 270 |
| 10 | 277.2 | 272.3 | 254 | 127 | 13 | 324 |
| 12 | 328.0 | 323.1 | 254 | 152 | 13 | 381 |
| 14 | 359.5 | 354.8 | 305 | 152 | 13 | 413 |
| 16 | 411.0 | 405.6 | 305 | 152 | 13 | 470 |
| 18 | 462 | 456 | 305 | 152 | 13 | 533 |
| 20 | 514 | 507 | 305 | 152 | 13 | 584 |
| 22 | 565 | 558 | 305 | 152 | 13 | 641 |
| 24 | 616 | 609 | 305 | 152 | 13 | 692 |
DIMENSIONAL TOLERANCES - STUB ENDS |
||||||
| For all fittings | Stub Ends | |||||
| Nominal Pipe Size (NPS) | Outside Ø at Bevel | Indide Ø at End | Wall Thickness t / t1 |
O.D. of Lap G | Fillet Radius of Lap - R | Overall Length. - F |
1/2 a 2 1/2 |
1 |
0,8 |
Not |
+0 -1 |
+0-1 |
2 |
3 a 3 1/2 |
1 |
1,6 |
less |
+0 -1 |
+0-1 |
2 |
4 |
+2 -1 |
1,6 |
than |
+0 -1 |
+0 -2 |
2 |
5 a 6 |
+3 -1 |
1,6 |
87,50% |
+0-1 |
+0 -2 |
2 |
8 |
2 |
1,6 |
of nominal |
+0 -1 |
+0 -2 |
2 |
10 |
+4 -3 |
3,2 |
tickness |
+0 -2 |
+0 -2 |
2 |
12 to 18 |
+4-3 |
3,2 |
+0 -2 |
+0-2 |
3 |
|
20 a 24 |
+6-5 |
4,8 |
+0 -2 |
+0 -2 |
3 |
|
26 a 30 |
+7 -5 |
4,8 |
||||
32 a 48 |
+7 -5 |
4,8 |
||||
NPS inches |
STUB ENDS |
|||
Sch. 5S |
Sch. 10S |
Sch. 40S |
Sch. 80S |
|
1/2 |
0.06 |
0.08 |
0.12 |
0.13 |
3/4 |
0.07 |
0.09 |
0.15 |
0.17 |
1 |
0.09 |
0.15 |
0.20 |
0.25 |
1 1/4 |
0.13 |
0.20 |
0.30 |
0.35 |
1 1/2 |
0.16 |
0.25 |
0.38 |
0.46 |
2 |
0.25 |
0.40 |
0.55 |
0.75 |
2 1/2 |
0.35 |
0.50 |
0.80 |
1.00 |
3 |
0.50 |
0.60 |
1.10 |
1.50 |
4 |
0.70 |
1.00 |
1.80 |
2.50 |
5 |
1.00 |
1.25 |
2.50 |
3.50 |
6 |
1.60 |
1.95 |
3.70 |
5.50 |
8 |
2.50 |
3.10 |
5.90 |
10.0 |
10 |
4.00 |
4.90 |
10.5 |
14.0 |
12 |
6.60 |
7.10 |
15.0 |
20.0 |
14 |
6.40 |
7.80 |
15.5 |
20.5 |
16 |
7.90 |
9.00 |
18.0 |
24.0 |
18 |
9.30 |
10.5 |
21.0 |
28.0 |
20 |
12.0 |
13.5 |
23.5 |
31.0 |
24 |
16.5 |
19.0 |
28.5 |
38.0 |
Approximate weights in kg, density 8 kg/dm3 |
||||