Forged Threaded Fittings Street Elbow

Guru Gautam Steels are Manufacturers of Forged Threaded Fittings Street Elbow and Supply high quality ASME B16.11 / BS3799 Street Elbow offer you the best prices in the market. Forged Threaded Fittings Street Elbow are designed for wide use in different industries like oil refineries, chemical processing, petrochemical and many other industries.
Forged Threaded Street Elbow

Carbon Steel, Alloy Steel ANSI B16.11, ASTM A182, ASME SA312 Threaded Pipe Fitting Street Elbow Manufacturer & Supplier in india.


forged THREADED FITTING Street Elbow SPECIFICATION :

Standard - ANSI/ASME :ASTM A182, ASTM SA182

Dimension : ASME 16.11, MSS SP-79, MSS SP-95, 83, 95, 97, BS 3799

Size : 1/8" NB TO 4" NB

Class : 2000LBS, 3000LBS, 6000LBS

Type : Threaded Fitting Street Elbow


forged fittings Threaded Street Elbow MATERIAL & GRADES :

Stainless Steel Threaded Street Elbow : ASTM A182 F304, F304L, F306, F316L, F304H, F309S, F309H, F310S, F310H, F316TI, F316H, F316LN, F317, F317L, F321, F321H, F11, F22, F91, F347, F347H, F904L, ASTM A312/A403 TP304, TP304L, TP316, TP316L

Carbon Steel Threaded Street Elbow : ASTM A105, A350 LF2, A106 Gr.B, A234 WPB

Alloy Steel Threaded Street Elbow : ASTM / ASME A182, ASTM / ASME A335 GR P 1, P 5, P 9, P 11, P 12, P 22, P 23, P 91, ASTM / ASME A691 GR 1 CR, 1 1/4 CR, 2 1/4 CR, 5 CR, 9CR, 91

Duplex Steel Threaded Street Elbow : ASTM/ASME A182 / SA182, A790 / SA790 UNS No S31803, S32205

Super Duplex Threaded Street Elbow : ASTM/ASME A182 / SA182, A790 / SA790 UNS No S32750, S32950

Nickel Alloy Threaded Street Elbow : ASTM B336, ASME SB336, Nickel 200 (UNS No. No2200), Nickel 201 (UNS No. N02201), Monel 400 (UNS No. N04400), Monel 500 (UNS No. N05500), Inconel 800 (UNS No. N08800), Inconel 825 (UNS No. N08825), Inconel 600 (UNS No. N06600), Inconel 625 (UNS No. N06625), Inconel 601 (UNS No. N06601), Hastelloy C 276 (UNS No. N10276), Alloy 20 (UNS No. N08020), Titanium (Grade I & II), Copper Nickel (Cupro-Nickel 90/10 & 70/30).

Low Temperature Carbon Steel Threaded Street Elbow : ASTM/ASME A420 SA/420 WPL3, WPL6


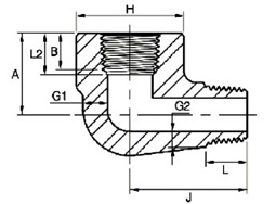
high pressure fitting Threaded Street Elbow DIMENSIONS :
forged threaded Street Elbow dimensions

forged threaded Street Elbow dimensions


Marking & Packing
Our products like forged threaded pipe fitting street elbow are packaged to make sure that there’s no damage throughout transit. Just in case of exports, customary export packaging is completed in wooden boxes or cases. All forged threaded pipe fitting street elbow are marked with Trademark (Company’s LOGO), Grade, Size and Lot No. On requests we can do custom marking on our products.

Test Certificates
Manufacturer Test Certificate as per EN 10204-3.1, EN 10204-3.2, Raw Materials Certificate, NABL approved Lab Test Report, 100% Radiography Test Report, Third Party Inspection Report etc.