Forged Socket Weld Fittings Pipe Reducer Insert

Guru Gautam Steels are Manufacturers of Forged Socket Weld Fittings Reducer Insert and Supply high quality ASME B16.11 / BS3799 Reducer Insert offer you the best prices in the market. Forged Socket Weld Fittings Reducer Insert are used only in conjunction with ASME Pipe. Forged Pipe Fittings and Forged Socket Weld Fittings Covers the Pressure, Tolerances, Dimensions, Temperature Ratings, Marking and Material Requirements for Forged Socket Weld Fittings Used in High-pressure Applications.
Forged Socket Weld Pipe Reducer Insert

Carbon Steel, Alloy Steel ANSI B16.11, ASTM A182, ASME SA312 Socket Weld Pipe Reducer Insert Manufacturer & Supplier in india.


forged Socket Weld FITTING Reducer Insert SPECIFICATION :

Standard - ANSI/ASME :ASTM A182, ASTM SA182

Dimension : ASME 16.11, MSS SP-79, MSS SP-95, 83, 95, 97, BS 3799

Size : 1/8" NB TO 4" NB

Class : 2000LBS, 3000LBS, 6000LBS

Type : Socket Weld Fitting Pipe Reducer Insert


forged fittings Socket Weld Pipe Reducer Insert MATERIAL & GRADES :

Stainless Steel Socket Weld Reducer Insert : ASTM A182 F304, F304L, F306, F316L, F304H, F309S, F309H, F310S, F310H, F316TI, F316H, F316LN, F317, F317L, F321, F321H, F11, F22, F91, F347, F347H, F904L, ASTM A312/A403 TP304, TP304L, TP316, TP316L

Carbon Steel Socket Weld Reducer Insert : ASTM A105, A350 LF2, A106 Gr.B, A234 WPB

Alloy Steel Socket Weld Reducer Insert : ASTM / ASME A182, ASTM / ASME A335 GR P 1, P 5, P 9, P 11, P 12, P 22, P 23, P 91, ASTM / ASME A691 GR 1 CR, 1 1/4 CR, 2 1/4 CR, 5 CR, 9CR, 91

Duplex Steel Socket Weld Reducer Insert : ASTM/ASME A182 / SA182, A790 / SA790 UNS No S31803, S32205

Super Duplex Socket Weld Reducer Insert : ASTM/ASME A182 / SA182, A790 / SA790 UNS No S32750, S32950

Nickel Alloy Socket Weld Reducer Insert : ASTM B336, ASME SB336, Nickel 200 (UNS No. No2200), Nickel 201 (UNS No. N02201), Monel 400 (UNS No. N04400), Monel 500 (UNS No. N05500), Inconel 800 (UNS No. N08800), Inconel 825 (UNS No. N08825), Inconel 600 (UNS No. N06600), Inconel 625 (UNS No. N06625), Inconel 601 (UNS No. N06601), Hastelloy C 276 (UNS No. N10276), Alloy 20 (UNS No. N08020), Titanium (Grade I & II), Copper Nickel (Cupro-Nickel 90/10 & 70/30).

Low Temperature Carbon Steel Socket Weld Reducer Insert : ASTM/ASME A420 SA/420 WPL3, WPL6


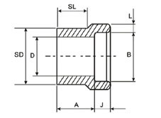
high pressure fitting Socket Weld Reducer Insert DIMENSIONS :
forged threaded pipe nipple dimensions


Nominal Pipe Size - - Class 3000 Class 6000 Class 9000
C D Fitting
Type
A B E Fitting
Type
A B E Fitting
Type
A B E
3/8 x 1/4 0.675 0.555 1 7/16 3/4 15/16 1 7/16 7/8 1 - - - -
1/2 x 3/8 0.850 0.690 1 7/16 13/16 1 1/16 1 7/16 15/16 1 3/16 - - - -
1/2 x 1/4 0.850 0.555 1 7/16 13/16 15/16 1 7/16 7/8 1 - - - -
3/4 x 1/2 1.060 0.855 1 7/16 7/8 1 5/16 1 7/16 1 1/16 1 3/8 1 7/16 1 3/16 1 3/4
3/4 x 3/8 1.060 0.690 2 7/16 5/8 - 1 7/16 7/8 1 3/16 - - - -
3/4 x 1/4 1.060 0.555 2 3/8 11/16 - 2 3/8 7/8 - - - - -
1 x 3/4 1.325 1.065 1 9/16 15/16 1 1/2 1 9/16 1 1/8 1 11/16 1 9/16 1 1/4 2
1 x 1/2 1.325 0.855 2 1/2 5/8 - 1 7/16 1 1/8 1 3/8 1 7/16 1 1/8 1 3/4
1 x 3/8 1.325 0.690 2 7/16 11/16 - 2 1/2 7/8 - - - - -
1 x 1/4 1.325 0.555 2 3/8 3/4 - 2 3/8 15/16 - - - - -
1 1/4 x 1 1.670 1.330 1 9/16 1 1 7/8 1 9/16 1 3/16 2 1 9/16 1 3/8 2 3/8
1 1/4 x 3/4 1.670 1.065 2 9/16 11/16 - 2 9/16 13/16 - 1 9/16 1 3/16 2
1 1/4 x 1/2 1.670 0.855 2 1/2 3/4 - 2 1/2 7/8 - 2 1/2 7/8 -
1 1/4 x 3/8 1.670 0.690 2 7/16 13/16 - 2 7/16 15/16 - - - - -
1 1/4 x 1/4 1.670 0.555 2 3/8 7/8 - 2 3/8 1 - - - - -
1 1/2 x 1 1/4 1.910 1.675 1 9/16 1 1/8 2 1/4 1 9/16 1 3/8 2 3/8 1 9/16 1 5/8 2 3/4
1 1/2 x 1 1.910 1.330 2 5/8 11/16 - 1 9/16 1 3/16 2 1 9/16 1 3/8 2 3/8
1 1/2 x 3/4 1.910 1.065 2 9/16 3/4 - 2 9/16 1 - 2 9/16 1 -
1 1/2 x 1/2 1.910 0.855 2 1/2 13/16 - 2 1/2 1 1/16 - 2 9/16 1 -
1 1/2 x 3/8 1.910 0.690 2 7/16 7/8 - 2 7/16 1 1/8 - - - - -
2 x 1 1/2 2.385 1.915 1 9/16 1 1/4 2 1/2 1 9/16 1 7/8 2 11/16 1 9/16 2 1/16 3
2 x 1 1/4 2.385 1.675 2 11/16 13/16 - 2 7/8 15/16 - 1 9/16 2 2 3/4
2 x 1 2.385 1.330 2 5/8 7/8 - 2 13/16 1 - 2 13/16 1 -
2 x 3/4 2.385 1.065 2 9/16 15/16 - 2 3/4 1 1/16 - 2 3/4 1 1/16 -
2 x 1/2 2.385 0.855 2 1/2 1 - 2 11/16 1 1/8 - 2 11/16 1 1/8 -


Marking & Packing
Our products like forged Socket Weld pipe fitting pipe nipple are packaged to make sure that there’s no damage throughout transit. Just in case of exports, customary export packaging is completed in wooden boxes or cases. All forged Socket Weld pipe fitting pipe nipple are marked with Trademark (Company’s LOGO), Grade, Size and Lot No. On requests we can do custom marking on our products.

Test Certificates
Manufacturer Test Certificate as per EN 10204-3.1, EN 10204-3.2, Raw Materials Certificate, NABL approved Lab Test Report, 100% Radiography Test Report, Third Party Inspection Report etc.